了解我们
我们的优势
展会活动
企业新闻
欧适能新能源服务平台
合同能源服务内容
合同能源管理模式
欧适能新能源系统
热泵热水器
空气源热泵
地源热泵
水源热泵
大型热泵
一体化产品
水箱
集中供能
商用建筑
民用别墅
工业节能、农业养殖
欧适能中国
OCHSNER总部
OCHSNER德国
OCHSNER法国
OCHSNER瑞士
30年深耕热泵,我们为民用、商用及工业领域提供全面深入的支持
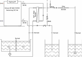
使用时间: 2010年
热源:生产过程余热
热泵型号:IWWS 110 ER2
压缩机类型:螺杆,R134a
热源温度:10—20℃
出水温度:根据气温调节,最高至60℃
制热功率:110kW
系统介绍:原先工厂的注塑机使用地下水冷却,采用Ochsner热泵之后,热能被有效利用,为办公区、产品展示馆和喷漆车间供热。